
Менеджер:
Телефон:
E-mail:
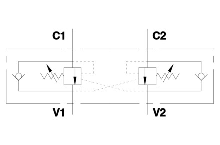
Клапан подпорный тормозной VBCD 1/4" DE/A (V0418)
Код: УТ-00000415 Артикул: V0418
8 391 ₽
Цена ориентировочная, не является публичной офертой
Наличие:Уточняйте у менеджера
- Максимальное рабочее давление МПа35
- Максимальный расход рабочей жидкости л/мин25
- Присоединительные размеры линий 1/4"
- Вес1.686
- Тип клапанаVBCD 1/4" DE/A

.jpg)